Advanced Energy / Artesyn BCQ1300 & BDQ1300 Quarter-Brick DC-DC Converters
Advanced Energy / Artesyn BCQ1300 and BDQ1300 Quarter-Brick DC-DC Converters offer 1300W total power, a 40VDC to 60VDC input voltage range, and a single 12V nominal output. These converters deliver up to 107A output current and have no minimum load requirement and an efficiency of >97%. Specific features include a PMBus™ function for the BDQ1300 series and parallel current sharing for the BCQ1300. Additional features include fixed switching frequency, startup pre-bias, and various protections, including input undervoltage, output overcurrent, and overtemperature. Advanced Energy / Artesyn BCQ1300 and BDQ1300 Converters are designed for standard 48V supplies in computing and server applications, as well as regulated 48V supplies in communications equipment.Features
- Startup pre-bias
- PMBus function (BDQ1300)
- Parallel current sharing (BCQ1300)
- Excellent thermal performance
- No minimum load requirement
- Fixed switching frequency
- Baseplate for contact cooling or heatsink mounting
- Input undervoltage protection
- Output overcurrent protection
- Output overvoltage protection (BDC1300)
- Overtemperature protection
Applications
- Standard 48V supplies
- Computing
- Servers
- Regulated 48V supplies in communication equipment
Specifications
- 1300W total power rating
- 40VDC to 60VDC input voltage range
- Single 12V nominal output rating
- >97% efficiency
- 4.6mm pin length option
- -40°C to +85°C operating temperature range
- RoHS 3.0 (2011/65/EU) compliant
- Safety
- TUV/CE 62368-1
- UL/cUL 62368-1
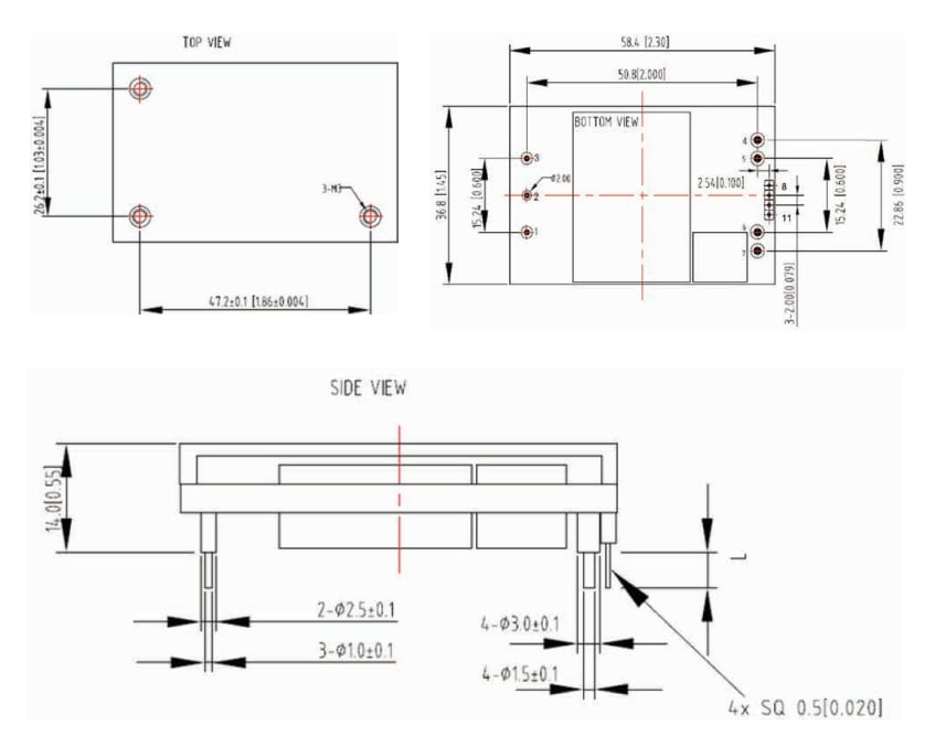
BCQ1300 Mechanical Drawing
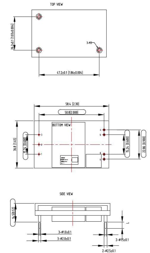
BDQ1300 Mechanical Drawing
Published: 2025-01-27
| Updated: 2025-02-12
