Analog Devices Inc. HMC1082LP4E GaAs pHEMT MMIC Medium Power Amplifier
Analog Devices Inc. HMC1082LP4E GaAs pHEMT MMIC Medium Power Amplifier comes with an integrated temperature compensated on-chip power detector which operates between 5.5 and 18GHz. The amplifier provides 22dB of gain, +35dBm Output IP3, and +24dBm of output power at 1dB gain compression, while requiring 220mA from a +5V supply. The HMC1082LP4E is capable of supplying +26dBm of saturated output power with 26% PAE and is housed in a compact leadless 4x4mm plastic surface mount package. The HMC1082LP4E is an ideal driver amplifier for a wide range of applications including point-to-point radio from 5.5 to 18GHz and marine radar at 9GHz. The HMC1082LP4E may also be used for 6 to 18GHz EW and ECM applications.Features
- 26dBm @ 26% PAE high saturated output power
- 35dBm High output IP3
- 22dB High gain
- 24dBm High P1dB output power
- +5V @ 220mA DC supply
- 16mm2 Compact 24 lead 4x4mm SMT package
Applications
- Point-to-Point radios
- Point-to-Multi-Point radios
- VSAT and SATCOM
- Marine radar
- Military EW and ECM
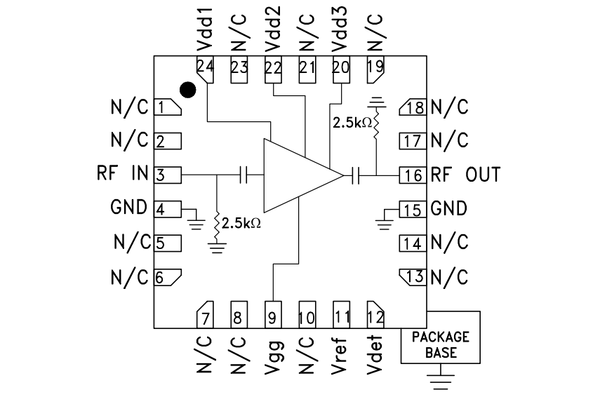
Block Diagram
Package Outline
Published: 2014-12-05
| Updated: 2022-03-11
