Analog Devices / Maxim Integrated MAX38647B Miniature nanoPower Buck Converters
Analog Devices Inc. / Maxim Integrated MAX38647B Miniature nanoPower Buck Converters with 4-level VSEL step-down from an input voltage range of 1.8V to 5.5V to a wide 0.5V to 1.8V output range. These buck converters automatically switch between ultra-low-power mode (ULPM), low-power mode (LPM), and high-power mode (HPM) to service the load at the highest possible efficiency depending on the load current. The easy-to-use MAX38647B aids in extending battery life with 94% peak efficiency, supports 100% duty-cycle operation, and offers short-circuit protection and internal active discharge. MAX38647B is available in a 1.82mm x 0.89mm, 0.4mm pitch 8-bump WLP package or a 3mm2, 0.5mm pitch 10-pin TDFN package.Features
- Extends battery life
- 440nA ultra-low quiescent supply current
- 5nA shutdown current
- 94% peak efficiency and over 90% at 10µA
- Easy to use, addresses popular operation
- 1.8V to 5.5V input voltage range
- 0.5V to 1.8V output voltage range
- Up to 175mA output current
- Protects the system in multiple use cases
- Short-circuit protection
- Internal active discharge
- Programmable single resistor (32x settings), 4x output voltage levels for each RSEL setting through digitally controlled VSEL1 and VSEL2 pins
- EN pin for converter on/off control
- 100% duty-cycle mode for low dropout operation
- -40°C to +125°C operating temperature range
- Package options
- 8-bump WLP (1.82mm x 0.89mm, 0.4mm pitch)
- 10-pin TDFN (3mm x 3mm, 0.5mm pitch)
Applications
- Portable space-constrained consumer products
- Wearable devices, including ultra-low-power IoT, NB IoT, and Bluetooth® LE
- Single Li-ion and coin-cell battery products
- Wired/wireless industrial products
Specifications
- 1.8V to 5.5V input voltage range
- 0.5V to 1.8V output voltage range
- ±1.5% output accuracy
- ±1.6ARMS maximum current
- 175mA output current
- 0.1µA maximum input shutdown current, 0.005µA typical
- ±2.5% typical DC load regulation
- 1ms typical soft-start time
- 240µs to 1320µs select-resistor detection time range
- 50Ω to 200Ω active discharge resistor range
- 0.2A to 0.3A inductor peak current limit range
- 12.5mA typical zero-crossing threshold
- Continuous power dissipation
- 912mW for the WLP package
- 1951mW for the TDFN package
- Temperatures
- -40°C to +125°C operating range
- +150°C maximum junction
- Soldering
- +300°C lead for 10s
- +260°C reflow
Simplified Application Circuit
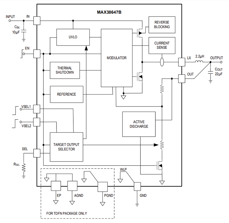
Block Diagram
Published: 2023-06-15
| Updated: 2023-07-04
