Analog Devices / Maxim Integrated MAXM17225 nanoPower Boost Modules
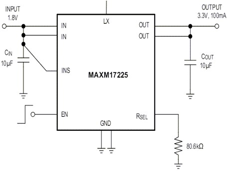
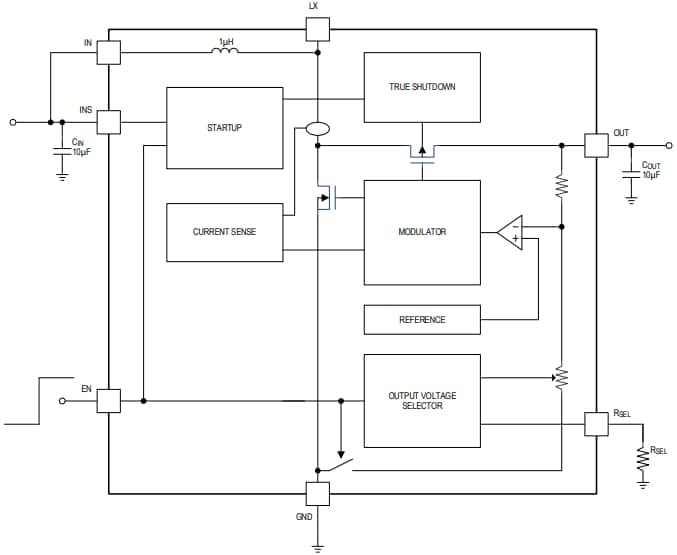
Analog Devices MAXM17225 nanoPower Boost Modules provide an ultra-low-IQ (300nA) that prolongs battery life and extends product lifetime in a tiny eMGA package. The MAXM17225 starts up with voltages as low as 0.88V, and post-startup, the input voltage VIN can go down to 0.4V. These voltages make the MAXM17225 ideal for battery-operated devices that undergo voltage discharge over time. The ADI MAXM17225 accepts input voltages from 0.4V to 5.5V and boosts them to programmable output voltages from 1.8V to 5V. The output voltage is set using a single external resistor (RSEL). The MAXM17225 includes a maximum efficiency of 95%. The module is ideal for applications like battery-operated devices and portable electronics where step-up conversion is needed in space-constrained enclosures while demanding high efficiency. An actual shutdown disconnects the input from the output, conserving battery life.Features
- Extends battery life
- 300nA ultra-low quiescent current
- 0.5nA shutdown current
- 95% peak efficiency
- True shutdown
- Output disconnects from input
- Zero forward/reverse current from VIN, VOUT
- Robust performance features include
- Internal current limit
- Integrated soft-start
- PFM control scheme for higher efficiency at light load operation
- Easy to use addresses popular operation
- VIN at 5.5V down to 0.4V
- Minimum startup voltage of 0.88V
- Single resistor-adjustable VOUT from 1.8V to 5V
- VOUT selection resolution in 100mV steps
- 1A peak inductor current limit
- Reduced size and increased reliability
- 2.1mm x 2.6mm, 10-lead eMGA package
- Operating temperature range of -40°C to +125°C
Applications
- Health monitoring and fitness devices
- Ultra-low-power IoT modules
- BLUETOOTH® LE devices
- Wearables
- Portable Point-Of-Sale (POS) terminals
- USB On-The-Go adapter modules, USB charging
- Supercapacitor backup for RTC/alarm buzzers
- Single or dual-cell alkaline battery products
Videos
Simplified Block Diagram
Typical Application Circuit
Published: 2024-05-02
| Updated: 2025-08-14
