Analog Devices / Maxim Integrated MAX20331EVKIT Evaluation Kit

Analog Devices MAX20331EVKIT Evaluation Kit is a fully assembled and tested circuit board demonstrating the MAX20331 high-voltage Over-Voltage Protector (OVP) on an audio line device. This evaluation kit comes with the MAX20331EWL+ installed and can be used to evaluate the MAX20331A. The Analog Devices MAX20331EVKIT evaluation kit demonstrates the MAX20331 audio line overvoltage protector in a 9-bump Wafer-Level Package (WLP).

Features

  • 3.5mm jack audio line protection
  • Proven PCB layout
  • Fully assembled and tested
  • Includes MAX20331EWL+

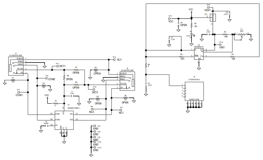
Schematic Diagram

Schematic - Analog Devices / Maxim Integrated MAX20331EVKIT Evaluation Kit
Published: 2018-10-08 | Updated: 2023-04-24