Analog Devices / Maxim Integrated MAX5992A/MAX5992B Powered Device Controllers

Analog Devices MAX5992A/MAX5992B Powered Device Controllers provide interface control for PDs to comply with the IEEE® 802.3af/at standard. The controllers are used in a Power-over-Ethernet (PoE) system. The devices provide the PD with a detection signature, classification signature, and an isolation MOSFET driver with current-limit control. In addition, the intelligent maintain power signature (MPS) and active FET bridge control make the PD more power efficient. The devices feature a SIG_OK output signal for high-power Multi-2P PD applications.

Features

  • IEEE 802.3af/at-compliant
  • UPoE compatible
  • High-power 2x2P/Multi-PD synchronization/multi-PD redundancy
  • Integrated active FET bridge control and back-powering protection
  • Selectable UVLO for medical/industrial applications
  • 2-level inrush-current control
  • Intelligent MPS
  • Simplified wall adapter interface for seamless power transition
  • Ultra-low-power/sleep mode
  • 2-event classification or an external wall adapter indicator output
  • PoE classification 0 to 5
  • Gate driver for external isolation MOSFET
  • Selectable current limit and foldback
  • RJ45 12V supply input
  • 6.5s sleep mode delay

Applications

  • IEEE 802.3af/at-powered devices (PD)
  • Universal power-over-ethernet (UPoE)
  • Femtocell, picocell, microcell
  • High-power 2x2P PD
  • Multi-PD redundancy
  • Fiber-to-the-home/building (FTTH/FTTB)
  • IP phones
  • Wireless access nodes
  • IP security cameras (IPC)
  • WiMAX® base stations

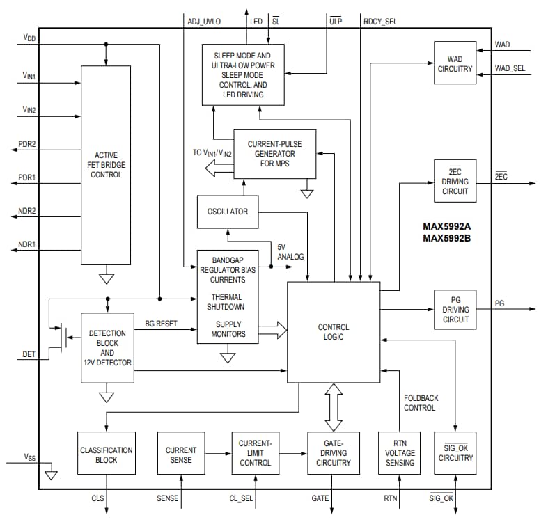
Block Diagram

Block Diagram - Analog Devices / Maxim Integrated MAX5992A/MAX5992B Powered Device Controllers
Published: 2019-06-24 | Updated: 2023-04-17