Diodes Incorporated AS348/AS2348 RRIO CMOS Operational Amplifiers

Diodes Incorporated AS348/AS2348 RRIO (rail-to-rail input/output) CMOS Operational Amplifiers are single-/dual-channel devices providing maximum output-voltage swing capability and an extended 300mV common-mode voltage beyond the supply rail. AS348/AS2348 Op Amps are fully specified to operate from 1.6V to 5.5V single-supply, or ±0.8V and ±2.5V dual-supply applications. The AS348 is available in a SOT25 package, and the AS2348 is offered in MSOP-8 and SO-8 packages. Operating within -40°C to +125°C and a high ESD tolerance facilitate use in harsh applications.

Features

  • 1.6V to 5.5V single-supply voltage range
  • ±0.8V to ±2.5V dual-supply voltage range
  • 1pA typical ultra-low input bias current
  • 2.5mV maximum offset voltage, 0.5mV typical
  • 2μV/°C typical low input offset drift
  • Rail-to-rail input
    • VCM: 300mV beyond supply rail att VCC = 3V or 5V
    • Rail-to-rail output swing
      • 4mV from the rail with a 10kΩ load
      • 25mV from the rail with a 1kΩ load
  • 70μA/channel typical supply current
  • Unity-gain stable up to 100pF capacitive load, 1.0MHz gain bandwidth
  • 0.45V/μs slew rate at VCC = 5.0V
  • -40°C to +125°C operating ambient temperature range
  • ESD Protection JESD 22, 4000V HBM (A114)
  • Halogen- and antimony-free, “Green” device
  • Totally lead-free and fully RoHS compliant

Applications

  • Active filters
  • Sensors interfaces
  • Photodiode amplification
  • Smoke alarms and CO detectors
  • Battery-powered applications
  • Portable equipment
  • Medical instrumentation
  • Pulse blood oximeters and glucose meters

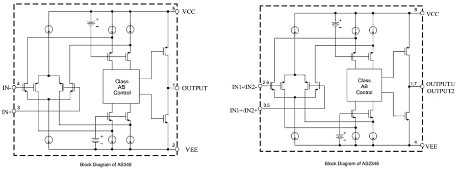
Block Diagrams

Block Diagram - Diodes Incorporated AS348/AS2348 RRIO CMOS Operational Amplifiers
Published: 2023-04-10 | Updated: 2023-12-22