Diodes Incorporated PI3B3257 Multiplexer/Demultiplexer Switches
Diodes Incorporated PI3B3257 Multiplexer/Demultiplexer Switches are 3.3V quad 2:1 Mux/DeMux with three-state output pinout and function compatible with PI74FCT257T, 74F257, and 74ALS/AS/LS257. The Diodes Incorporated switches feature non-zero propagation delay and 5Ω low On-Resistance. The PI3B3257 mux/demux switches are pin-compatible with 74 series 257 logic devices. These switches offer 120mA DC output current and 0.5W power dissipation. The PI3B3257 mux/demux switches operate at -40°C to 85°C ambient temperature range. These switches function with -0.5V to 4.6V supply voltage to ground potential. The PI3B3257 mux/demux switches are ideal for desktop PCs, industrial PCs, medical devices, monitors, STBs, tablet PCs, and TVs.Features
- Near-zero propagation delay
- Fast switching speed
- Ultra-low quiescent power
- Compatibility with PI74FCT257T, 74F257, and 74ALS/AS/LS257
- Pin compatible with 74 series 257 logic devices
- Packaging
- 16-Pin, QSOP (Q)
- 16-Pin, SOIC (W)
- 16-Pin, TSSOP (L)
- 16-Pin, UQFN (ZHD)
Specifications
- 4.8ns maximum switching speed
- 0.1μA low quiescent power supply
- 5Ω On-Resistance
- -40°C to 85°C ambient temperature range
- -65°C to 150°C storage temperature range
- 120mA DC output current
- 0.5W power dissipation
- -0.5V to 4.6V supply voltage range
Applications
- Desktop PC
- Industrial PC
- Medical device
- Monitors
- Set Top-Box (STB)
- Tablet PC
- TVs
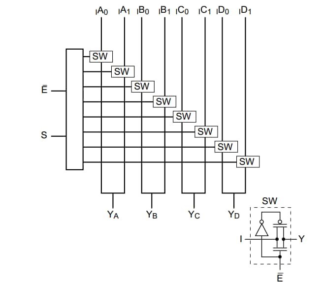
PI3B3257 Functional Block Diagram
16-PIN UQFN Configuration
16-PIN QSOP, 16-pin SOIC, and 16-Pin TSSOP Configuration
Technical Note
Published: 2019-09-13
| Updated: 2023-07-27
