Diodes Incorporated PI4ULS3V4103 SIM Card Interface Level Shifter
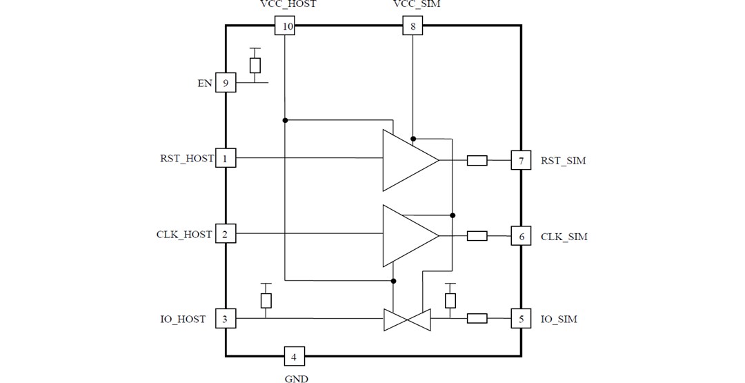
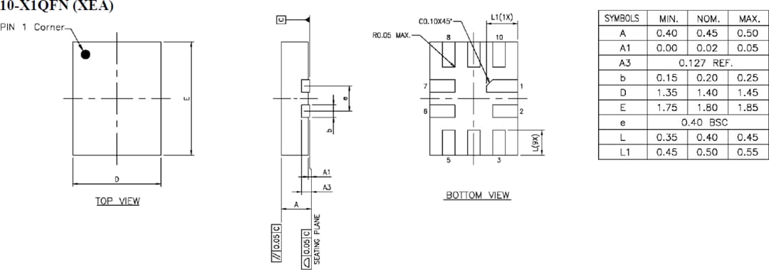
Diodes Incorporated PI4ULS3V4103 SIM Card Interface Level Shifter provides the power conversion and signal level translation needed for advanced cellular telephones to interface with 1.8V and 3.0V Subscriber Identity Modules (SIMs). The PI4ULS3V4103 meets all requirements for 1.8V or 3V SIMs. Internal level translators allow controllers operating with supplies as low as 1.2V to interface with 1.8V or 3.0V Smart Cards.The Diodes Incorporated PI4ULS3V4103 SIM Card Interface Level Shifter is housed in a tiny 10-Contact, 1.4mm x 1.8mm X1QFN (XEA) package.
Features
- 1.65V to 3.6V SIM card voltage range
- 1.1V to 2.0V host voltage range
- Automatic level translation
- Low operating and shutdown current
- 8kV ESD HBM for SIM card pins
- 2kV ESD HBM for all other pins
- Meets EMV fault tolerance requirements
- -40°C to +85°C ambient operating temperature
- 10-contact, 1.4mm x 1.8mm X1QFN (XEA) package
- Totally lead-free and fully RoHS compliant
- Halogen and antimony “Green” device
Applications
- GSM, TD-SCDMA
- Wireless point-to-sale terminals
- Multiple SIM card interfaces
Typical Application Circuit
Block Diagram
Package Outline
Published: 2022-06-29
| Updated: 2022-11-03
