Infineon Technologies TLD5098EP_B2G Evaluation Board

Infineon Technologies TLD5098EP_B2G Evaluation Board is an AEC-qualified evaluation board in a boost-to-ground topology designed as an LED driver. The board delivers up to 13W with efficiency above 91%. When enabled by jumpers, the board is equipped with an output current adjustment trimmer, power derating circuitry, and a Cold Crank Survival Circuit (CCSC).

Features

  • Output current adjustment trimmer
  • Power derating circuitry
  • Cold crank survival circuit
  • Delivers up to 13W with efficiency above 91%
  • 350mA maximum output current
  • 33V to 47.4V output voltage range
  • 8V to 27V supply voltage range
  • AEC-qualified
  • RoHS compliant

Applications

  • Lighting
  • Automotive daytime running light

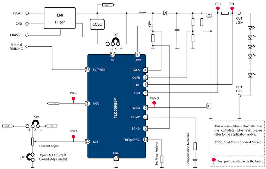
Simplified Schematic

Schematic - Infineon Technologies TLD5098EP_B2G Evaluation Board

Default Configuration

Location Circuit - Infineon Technologies TLD5098EP_B2G Evaluation Board

Current Adjustment

Location Circuit - Infineon Technologies TLD5098EP_B2G Evaluation Board

Power Derating

Location Circuit - Infineon Technologies TLD5098EP_B2G Evaluation Board

Cold Crank Survival Circuit

Location Circuit - Infineon Technologies TLD5098EP_B2G Evaluation Board
Published: 2025-01-31 | Updated: 2025-02-13