Infineon Technologies TLE4929C Crankshaft Sensors

Infineon Technologies TLE4929C Crankshaft Sensors are fully programmable active Hall sensors that measure the speed and position of tooth/pole wheels. These sensors come with two integrated capacitors on the lead frame that increase the Electro-Magnetic Compatibility (EMC) resistivity of the device. The TLE4929C sensors also employ a pull-up resistor RLoad on the output pin for determination of the maximum current flowing through the output transistor. These sensors also feature robustness over magnetic stray-field, direction detection, and stop-start algorithm, high accuracy, low jitter, and automotive operating temperature range. The TLE4929 sensors are available in two variants such as TLE4929C-XAN-M28 with EEPROM preprogrammed and locked and TLE4929C-XAF-M28 with EEPROM unlocked.

Features

  • Differential Hall speed sensor to measure speed and position of tooth/pole wheels
  • Switching point in the middle of the tooth that enables backward compatibility
  • Robustness over magnetic stray-field due to the differential sensing principle
  • Digital output signal with programmable output-protocol that includes diagnosis interface
  • High sensitivity enable large air gap
  • End-of-line programmable
  • Serves as a differential camshaft sensor
  • Automotive operating temperature range
  • Available in a RoHS compliant three-pin package
  • Direction detection and Stop-Start-Algorithm
  • High accuracy and low jitter

Block Diagram

Block Diagram - Infineon Technologies TLE4929C Crankshaft Sensors

Application Circuit Diagram

Application Circuit Diagram - Infineon Technologies TLE4929C Crankshaft Sensors

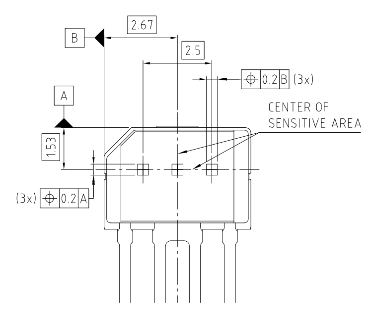
Mechanical Drawing

Mechanical Drawing - Infineon Technologies TLE4929C Crankshaft Sensors
Published: 2019-01-07 | Updated: 2024-04-01