Littelfuse CH1B050P Pyro-fuse Trigger
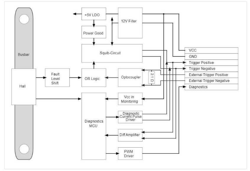
Littelfuse CH1B050P Pyro-fuse Trigger uses open-loop Hall technology to detect an overcurrent condition and provide an output signal to activate a pyro module. The CH1B050P current sensor triggers the pyro module directly and offers a high fault current interruption capability. This fast and reliable Littelfuse circuit protection solution features low power consumption in a compact, lightweight design.Features
- Designed for pyro module system applications
- Current sensor triggers pyro directly
- Very high fault current interruption capability
- Various trigger levels
- Asymmetric calibration possible
- External trigger signal to pyro module
- Diagnostic function
- Open-loop Hall effect
- Unipolar +12VDC power supply
- -40°C to +85°C operating temperature range
- Up to 1000VDC system voltage
Specifications
- -16V to 24V maximum supply voltage
- 200mA maximum supply current in measurement mode
- 10A maximum supply current for 2ms during triggering
- 50MΩ insulation resistance
- 1mA leakage current due to dielectric voltage
- 14.98mm creepage distance
- 8.44mm clearance
- UL 94V-0 flammability class
- IP41 protection degree
Block Diagram
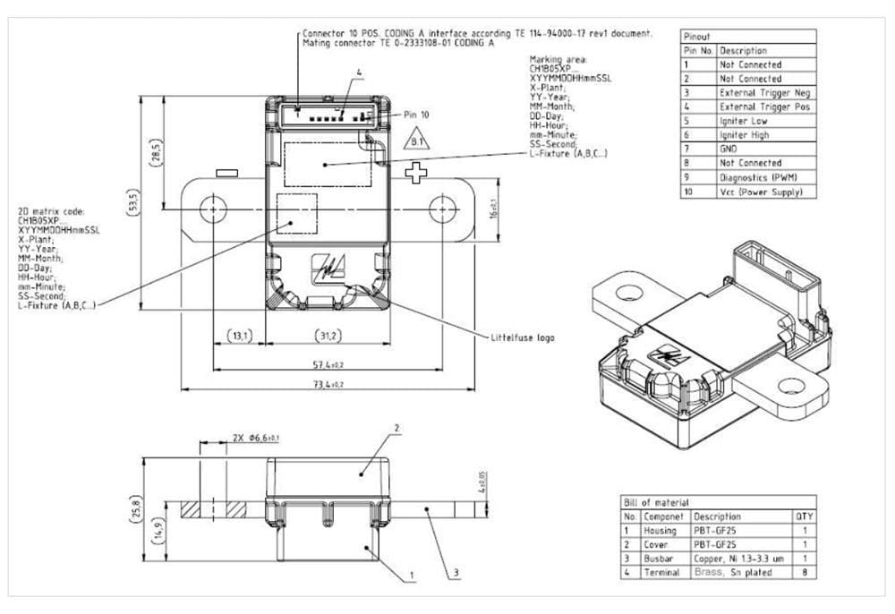
Dimensions (mm)
Published: 2025-09-26
| Updated: 2025-10-24
