Mikroe MUX 2 Click (MIKROE-3245)

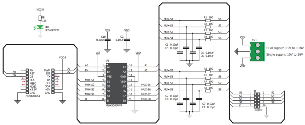
Mikroe MIKROE-3245 MUX 2 Click is a Click board that switches one of the eight inputs to one output. It uses the MUX508, a modern CMOS analog multiplexing integrated circuit, produced by Texas Instruments. This integrated circuit can be powered with both dual power supplies, ranging from ±5V to ±18V, and single power supplies, ranging from 10V to 36V. The device offers rail-to-rail operation, allowing the input signal to swing up (and down) to the voltage of the power supply, with no distortion. Features such as the break-before-make switching action, electrostatic discharge protection (ESD) up to 2kV, low on-resistance, and low input current leakage, make this circuit a solution for various switching applications, operating with both unipolar and bipolar signals.

Features

  • Break-before-make switching action
  • Up to 2kV ESD protection
  • Low on-resistance and low input current leakage
  • GPIO interface
  • 5V input voltage
  • M Click board size (42.9mm x 25.4mm)

Applications

  • Automatization and process control
  • Programmable logic controllers
  • Digital multimeters
  • Battery monitoring
  • Applications that require differential signal switching

Schematic

Schematic - Mikroe MUX 2 Click (MIKROE-3245)

Overview

Block Diagram - Mikroe MUX 2 Click (MIKROE-3245)
Published: 2019-01-02 | Updated: 2022-08-08