Monolithic Power Systems (MPS) MPQ4253A Step-Down Converters
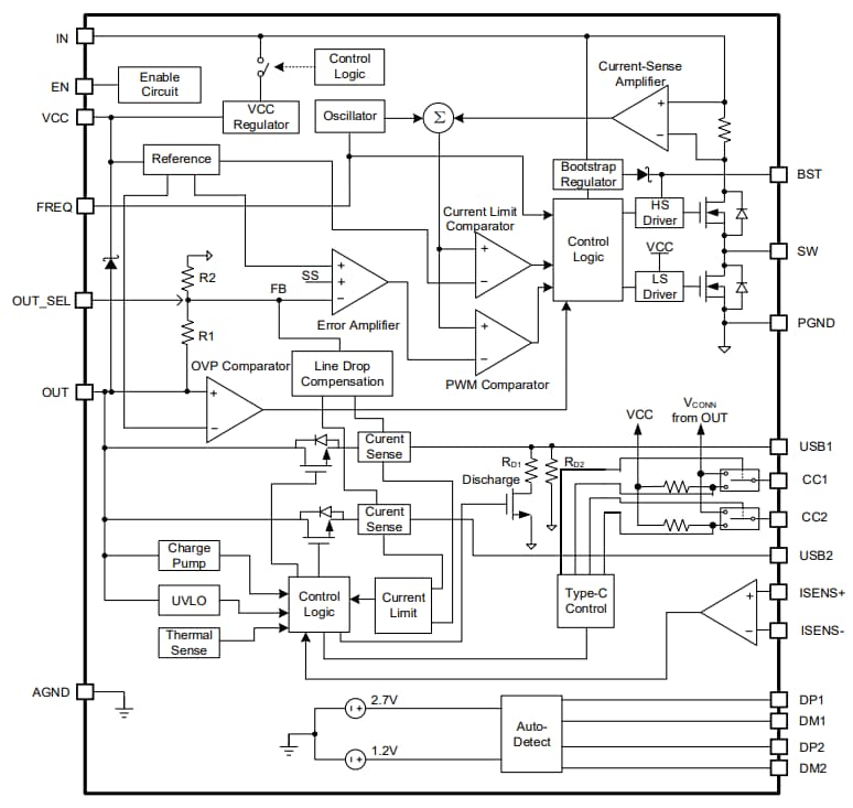
Monolithic Power Systems (MPS) MPQ4253A Step-Down Converters integrate switch-mode converters with two USB current-limit switches and charging port identification circuitry for each port. These converters buck and the USB2 output is always on if EN is high. The MPQ4253A converters achieve a 6A output current, with excellent load and line regulation over a wide input supply range. These step-down converters' full protection features include hiccup current limiting, output Over-Voltage Protection (OVP), and thermal shutdown. The MPQ4253A converters require a minimal number of readily available standard external components and are available in a QFN-26 (5mm x 5mm) package. These converters are ideal for USB Dedicated Charging Ports (DCPs) and USB Type-C™ + Type-A hybrid charging ports.Features
- All-In-One Type-C + Type-A solution
- Type-C auto-enters 1.5A load capability when the Type-A port detects a device is plugged in
- Default frequency spread spectrum based on 480kHz (FREQ = Float)
- Auto-PFM/PWM operation
- Wide 6V to 36V operating VIN range
- 5.1V, 5.17V, or 5.3V selectable output voltages
- 90mV line drop compensation
- Accurate USB1/USB2 output current limit
- 18mΩ/15mΩ low internal RDS(ON) buck power MOSFETs
- 18mΩ/18mΩ low internal RDS(ON) USB1/USB2 power MOSFETs
- 250kHz to 1MHz adjustable frequency range
- Hiccup current limit for both buck and USB
- Supports DCP schemes for BC1.2, Apple divider 3 mode, and 1.2V/1.2V mode
- Supports USB Type-C 5V @3A DFP mode
- Available in a QFN-26 (5mm x 5mm) package
- Available in AEC-Q100 grade 1
Applications
- USB Dedicated Charging Ports (DCPs)
- USB Type-C + Type-A Hybrid charging ports
Application Diagram
Block Diagram
Characteristic Curve
Published: 2023-10-09
| Updated: 2024-03-26
