Nexperia LFPAK33 Trench 9 Automotive MOSFETs
Nexperia LFPAK33 Trench 9 Automotive MOSFETs are a portfolio of low RDS(on) 40V AEC-Q101 MOSFETs for modules in demanding powertrain applications. The devices are housed in the miniature LFPAK33 package with a footprint of only 10.9mm². The LFPAK33 MOSFETs use Nexperia's Trench 9 technology. This results in a 48% reduction in RDS(on) compared to previous devices. These devices cover a range of applications from 30W up to 300W. BUK7M3R3-40H and BUK9M3R3-40H (Standard Level and Logic Level) devices feature a 3.3mΩ RDS(on).Features
- Fully automotive AEC-Q101 qualified to 175°C
- Combination of Trench 9 silicon technology in clip-bonded LFPAK33 package
- Products offer low switching losses and low Rth performance
- Benchmark Rth for thermally demanding applications
- Strong fault condition tolerance due to technology features
- 40V Trench 9 LFPAK33 MOSFETS
- 3.3mW to 20mW at 40V RDS(on)
- Logic level and standard level gate
- Clip bond LFPAK33 Package
Applications
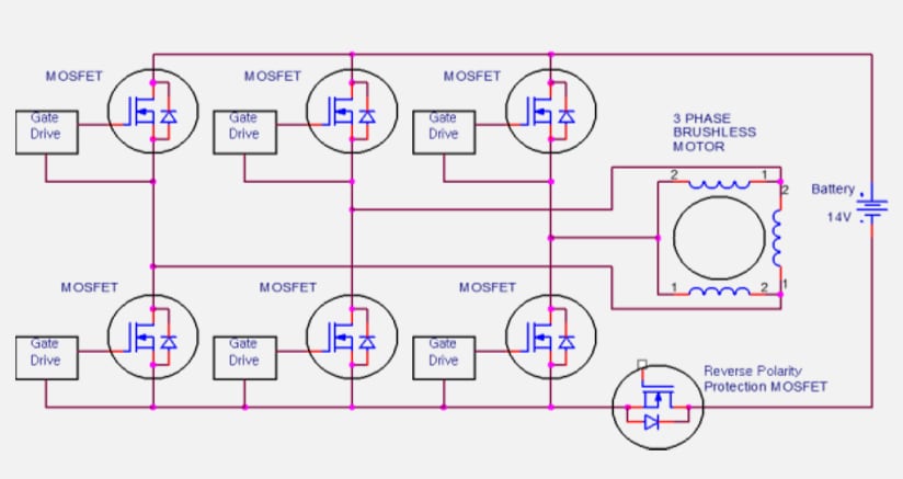
- Powertrain pumps and motors (oil, water, and fuel)
- Engine fans and pumps (BLDC and DC Motors)
- Solenoid Control
- Reverse battery protection
- Auxiliary loads and motor control
Block Diagram
Overview
Videos
View Results ( 20 ) Page
| Part Number | Datasheet | Description |
|---|---|---|
| BUK9M9R5-40HX | ![]() |
MOSFETs SOT1210 N-CH 40V 40A |
| BUK7M5R0-40HX | ![]() |
MOSFETs SOT1210 N-CH 40V 85A |
| BUK7M20-40HX | ![]() |
MOSFETs SOT1210 N-CH 40V 25A |
| BUK7M3R3-40HX | ![]() |
MOSFETs SOT1210 N-CH 40V 80A |
| BUK7M4R3-40HX | ![]() |
MOSFETs SOT1210 N-CH 40V 95A |
| BUK7M6R7-40HX | ![]() |
MOSFETs SOT1210 N-CH 40V 50A |
| BUK7M8R5-40HX | ![]() |
MOSFETs SOT1210 N-CH 40V 40A |
| BUK9M11-40HX | ![]() |
MOSFETs SOT1210 N-CH 40V 35A |
| BUK9M15-40HX | ![]() |
MOSFETs SOT1210 N-CH 40V 30A |
| BUK9M5R0-40HX | ![]() |
MOSFETs SOT1210 N-CH 40V 85A |
Published: 2020-08-28
| Updated: 2024-05-06

