Nisshinbo NJU7066 Dual-Channel CMOS Op Amp
Nisshinbo NJU7066 Dual-Channel CMOS Op-Amp offers high precision, low noise, and excellent EMI immunity. The output swing of the NJU7066 can reach 20mV from the rails while driving a 10kΩ load (at 5V operation). The input voltage includes ground, enabling direct sensing near the ground. This device is well-suited for sensor applications such as temperature sensors, weight sensors, high-precision current sensing amplifiers, and current-voltage converters. Nisshinbo NJU7066 CMOS Op-Amp is offered in a RoHS-compliant MSOP8 package, with a -40°C to +125°C operating temperature range.Features
- High precision
- 500µV (maximum) input offset voltage
- 0.5µV/°C (typical) offset voltage drift
- 10nV/√Hz equivalent input noise voltage at f=1kHz
- 1pA input bias current
- Rail-to-rail output
- RL=10kΩ 0.02V to 4.98V typical (V+=5V)
- RL=600Ω 0.08V to 4.92V typical (V+=5V)
- Ground sensing
- Integrated EMI Filter (EMIRR=59dB typical at f=900MHz)
- 2.2V to 5.5V operating voltage range
- -40°C to +125°C operating temperature range
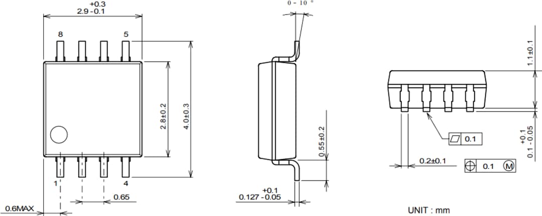
- MSOP8 (VSP8) package meets JEDEC MO-187-DA
- RoHS compliant
- Halogen-free
Applications
- Thermocouple and thermopile amplifiers
- Strain gauge and pressure sensor amplifiers
- Load cell and bridge transducer amplifiers
- High-resolution data acquisition
- Precision current sensing
- Battery monitoring
- Photodiode amplifiers
Pin Designations
Package Outline
Published: 2020-06-25
| Updated: 2024-04-30
