onsemi NTBG022N120M3S 1200V M3S Series SiC MOSFET

onsemi NTBG022N120M3S 1200V M3S Series SiC (Silicon Carbide) MOSFET is optimized for fast switching applications and offers a low 22mΩ drain-to-source on-resistance. The M3S Series SiC MOSFETs provide optimum performance when driven with an 18V gate drive but also work well with a 15V gate drive. This device features planar technology, which works reliably with a negative gate voltage drive and turns off spikes on the gate. 

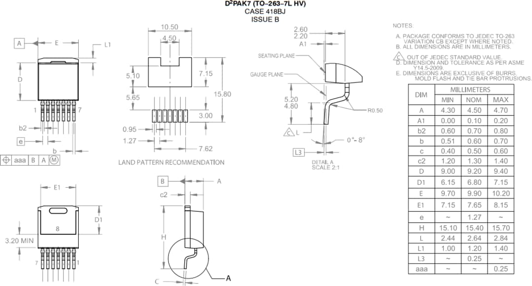
The onsemi NTBG022N120M3S 1200V M3S Series SiC MOSFET is housed in a D2PAK-7L package for low common source inductance.

Features

  • Optimized for fast switching applications
  • Low switching losses
  • 485µJ typical turn-on switching loss @ 40A, 800V
  • 18V for best performance; 15V for compatibility with IGBT driver circuits
  • 100% avalanche tested
  • Improved power density
  • Improved robustness to unexpected incoming voltage spikes or ringing

Applications

  • AC-DC conversion
  • DC-AC conversion
  • DC-DC conversion
  • Switch mode power supplies (SMPS)
  • UPS
  • Electric vehicle chargers
  • Solar inverters
  • Energy storage systems

Specifications

  • 1200V drain-to-source voltage (VDSS)
  • 22mΩ drain-to-source on-resistance (RDS(on))
  • -10V/+22V gate-to-source voltage (VGS)
  • 0.3V/°C drain-to-source breakdown voltage temperature coefficient (V(BR)DSS/TJ)
  • 100µA zero gate voltage drain current (IDSS)
  • ±1µA gate-to-source leakage current (IGSS)
  • Continuous drain current (ID)
    • 58A @ TC = 25°C
    • 41A @ TC = 100°C
  • Power dissipation (PD)
    • 234W @ TC = 25°C
    • 117W @ TC = 100°C
  • 2.04V to 4.4V gate threshold voltage; 2.72V typical (VGS(TH))
  • 3200pF input capacitance (CISS)
  • 148pF output capacitance (COSS)
  • 14pF reverse transfer capacitance (CRSS)
  • 18ns turn-on delay time (td(ON))
  • 24ns rise time (tr)
  • 47ns turn-off delay time (td(OFF))
  • 14ns fall time (tf)
  • 23ns reverse recovery time (tRR)
  • -55°C to +175°C operating junction and storage temperature range (TJ, Tstg)
  • D2PAK7 (TO-263-7L HV) package

Internal Schematic

Schematic - onsemi NTBG022N120M3S 1200V M3S Series SiC MOSFET

Package Outline

Mechanical Drawing - onsemi NTBG022N120M3S 1200V M3S Series SiC MOSFET
Published: 2022-08-24 | Updated: 2024-06-19