Qorvo QPC1217Q DPDT Transfer Switches
Qorvo QPC1217Q DPDT Transfer Switches are designed for switching applications where RF port transfer (port swapping) control is required. These transfer switches exhibit low insertion loss with excellent linearity performance, making them ideal for EDGE, GSM, V2X, LTE, and DSRC applications. The QPC1217Q transfer switches feature high port-to-port isolation, GPIO interface, linearity and harmonic performance, up to 6GHz operation, and very low current consumption. The Qorvo QPC1217Q DPDT Transfer Switches are available in 1.1mm x 1.5mm dimensions for quick integration into multiband, multimode, and multi-technology systems. Typical applications include general purpose switching up to 6GHz, eCall, WiFi, multi-mode WCDMA, and LTE applications.Features
- Low insertion loss
- High port-to-port isolation
- GPIO interface for 1.3V to 2.7V control logic
- Operation up to 6GHz
- Broadband performance suitable for all cellular/WiFi/BT/V2X
- Very low current consumption
- Linearity and harmonic performance
- AEC-Q100 Grade 2 qualified
Applications
- General purpose switching up to 6GHz
- Multi-mode GSM
- EDGE
- WCDMA
- LTE
- V2X
- DSRC
- eCall
- WiFi
Block Diagram
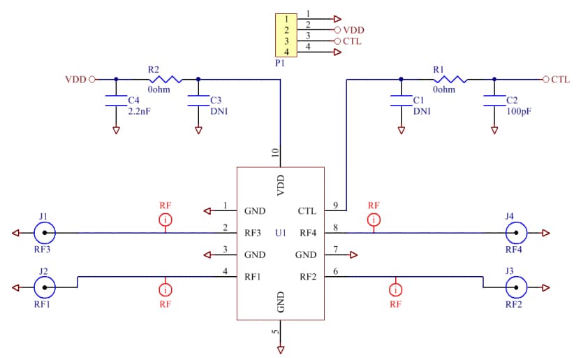
Application Circuit Schematic
Published: 2018-12-04
| Updated: 2022-03-10
