Skyworks Solutions Inc. SKY66101-11EK1 Evaluation Board
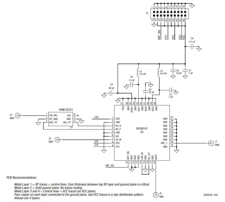
Skyworks Solutions Inc. SKY66101-11EK1 Evaluation Board is used to test the SKY66101-11 Front-End Module (FEM) performance. The SKY66101-11 RF FEM is a high-performance, highly integrated RF FEM designed for high-power ISM band applications. This FEM provides convenience and flexibility with fully-matched, 50Ω power amplifier input and output and digital controls compatible with 1.6V to 3.6V CMOS levels.Schematic
Published: 2018-07-15
| Updated: 2022-10-02
