Skyworks Solutions Inc. SKY68001-31 Universal Multi-Band FEM for IoT

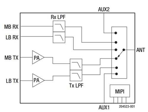
Skyworks Solutions SKY68001-31 Universal Multi-Band Front-end Module (FEM) for IoT supports cellular LTE-M /NB-IoT (half-duplex system) transceiver platforms. This FEM integrates the entire RF Front-End (RFFE) that is required for an LTE multi-band radio that operates in different low-band and mid-band frequencies. The SKY68001-31 FEM is fully controllable by a single MIPI interface that drives the Power Amplifier (PA) in various optimized bias modes. The feature set of this FEM also includes Rx low-pass filters, broadband PA with bias controller, Tx low pass harmonic filter, antenna switch, and MIPI RFFE controller. Typical applications include cellular IoT modem devices and LTE universal modem products.

Features

  • Half-duplex design optimized for low data rate applications
  • Broadband PA supporting APT mode of operation or Vcc fixed supply (≥ 2.85V)
  • Optimized to support LTE for 1RB to 12RB
  • Two additional AUX ports offer greater flexibility for more bands on the Tx or Rx path
  • Adaptive biasing scheme for maximum PA efficiencies

Applications

  • Dedicated LTE half-duplex operation (HD-FDD) for Cat-M1 and Cat-NB1
  • Designed to meet 3GPP Rel-12 and Rel-13 specifications (with compatible cellular transceiver)
  • PAE optimized for Class 3 LTE output power (+23dBm)
  • Supports both low and mid-band frequency ranges

Functional Block Diagram

Block Diagram - Skyworks Solutions Inc. SKY68001-31 Universal Multi-Band FEM for IoT
Published: 2018-01-10 | Updated: 2022-10-02