STMicroelectronics LM2902B Low-Power Quad Operational Amplifiers

STMicroelectronics LM2902B Low-Power Quad Operational Amplifiers (Op Amps) are designed specifically for automotive and industrial control systems. These four independent and high gain amplifiers have frequency compensation implemented internally. The LM2902B low-power quad operational amplifiers have an operating supply voltage of up to 36V, 1.2MHz wide bandwidth (unity gain), and 100dB large DC voltage gain. These amplifiers are AEC-Q100 qualified and can operate on a single power supply over a wide range of voltages. The LM2902B low-power quad operational amplifiers are used in telecom equipment, power management, and industrial applications.

Features

  • Up to 36V operating supply voltage
  • Internally implemented frequency compensation
  • Very low supply current/amplifier and essentially independent of supply voltage
  • 1.2MHz (temperature compensated) wide bandwidth (unity gain)
  • 20nA (temperature compensated) low input bias current
  • ±40V differential input voltage
  • Input common-mode voltage range with the negative rail
  • Differential input voltage range equal to the power supply voltage
  • AEC-Q100 qualified
  • 100dB large DC voltage gain
  • 2nA low input offset current
  • 0V to VCC - 1.5V large output voltage swing
  • 150°C maximum junction temperature

Applications

  • Telecom equipment
  • Power management
  • Industrial
  • Automotive

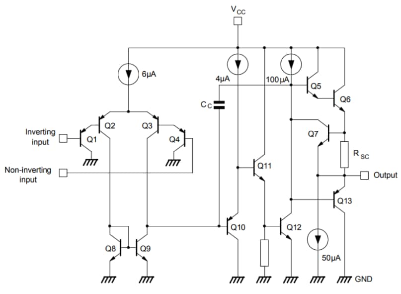
Schematic Diagram

Schematic - STMicroelectronics LM2902B Low-Power Quad Operational Amplifiers
Published: 2022-03-07 | Updated: 2022-05-31