Texas Instruments LM65680/60/40 Synchronous Buck DC-DC Converters

Texas Instruments LM65680/60/40 Synchronous Buck DC-DC Converters are part of a family of devices with ZEN 1 switcher technology, designed for low EMI, high power density, and excellent conversion efficiency. Integrated power MOSFETs with low RDS(on) enable up to 8A (LM65680 8A, LM65660 6A, and LM65640 4A) of output current across a wide input voltage range of 3.5V to 65V.

Phase-stackable with synchronized interleaving, the LM65680/60/40's peak-current-mode control architecture supports accurate current sharing across paralleled phases for higher output currents. AUTO mode enables frequency foldback during light-load operation, achieving high light-load efficiency and a no-load input current as low as 2.2µA, thereby extending operating runtime in battery-powered systems. A high-side switch minimum on-time of 36ns facilitates large step-down ratios, enabling direct conversion from 24V or 48V inputs to low-voltage rails, reducing system cost and complexity. The package has several NC pins between critical power pins, which improve the Failure Modes and Effects Analysis (FMEA) result.

The Texas Instruments LM65680/60/40 comes in a 4.5mm × 4.5mm, thermally enhanced, 26-pin eQFN package with additional pin clearance for increased reliability. Also included are wettable-flank pins to facilitate optical inspection during manufacturing. Leveraging a flip-chip routable leadframe (FCRLF) packaging technique, the LM65680/60/40 with usable current, lifetime reliability, and cost advantages targets applications requiring high power density. The wide input-voltage range, low quiescent current, high-temperature operation, cycle-by-cycle current limit, low EMI signature, and small design footprint make this an ideal point-of-load regulator for applications requiring enhanced robustness and durability.

Features

  • Functional safety-capable, with documentation available to aid in IEC 61508-2 system design
  • Versatile synchronous buck converter family
    • Wide input voltage range of 3.5V to 65V
    • 4A, 6A, and 8A output current options
    • Adjustable output voltage from 0.8V to 60V, or fixed output options of 3.3V and 5V
    • 150°C maximum junction temperature
    • 36ns tON(min) for high step-down conversion
  • ZEN 1 switcher technology
    • Facilitates CISPR 11 or 32 Class B compliance
    • Enhanced HotRod™ QFN (eQFN) package with symmetrical pinout design and minimal LLOOP
    • Spread Spectrum (DRSS) and switching slew-rate control reduce peak emissions
    • Switching frequency from 300kHz to 2.2MHz
    • AUTO, FPWM, or SYNC operation
  • High efficiency across the full load current range
    • 95% at 48VIN, 12VOUT, 8A, 400kHz
    • Multiphase stackable for higher output current
    • Dual-input VCC subregulator with BIAS option
    • VIN sleep quiescent current as low as 1.8µA
  • Improved reliability with optimized pinout design and clearance for short-circuit-to-adjacent-pin test with VIN to PGND pin clearance of 1.1mm

Applications

  • Industrial automation, test, and measurement
  • Medical imaging systems, energy infrastructure
  • Enterprise systems, wireless infrastructure

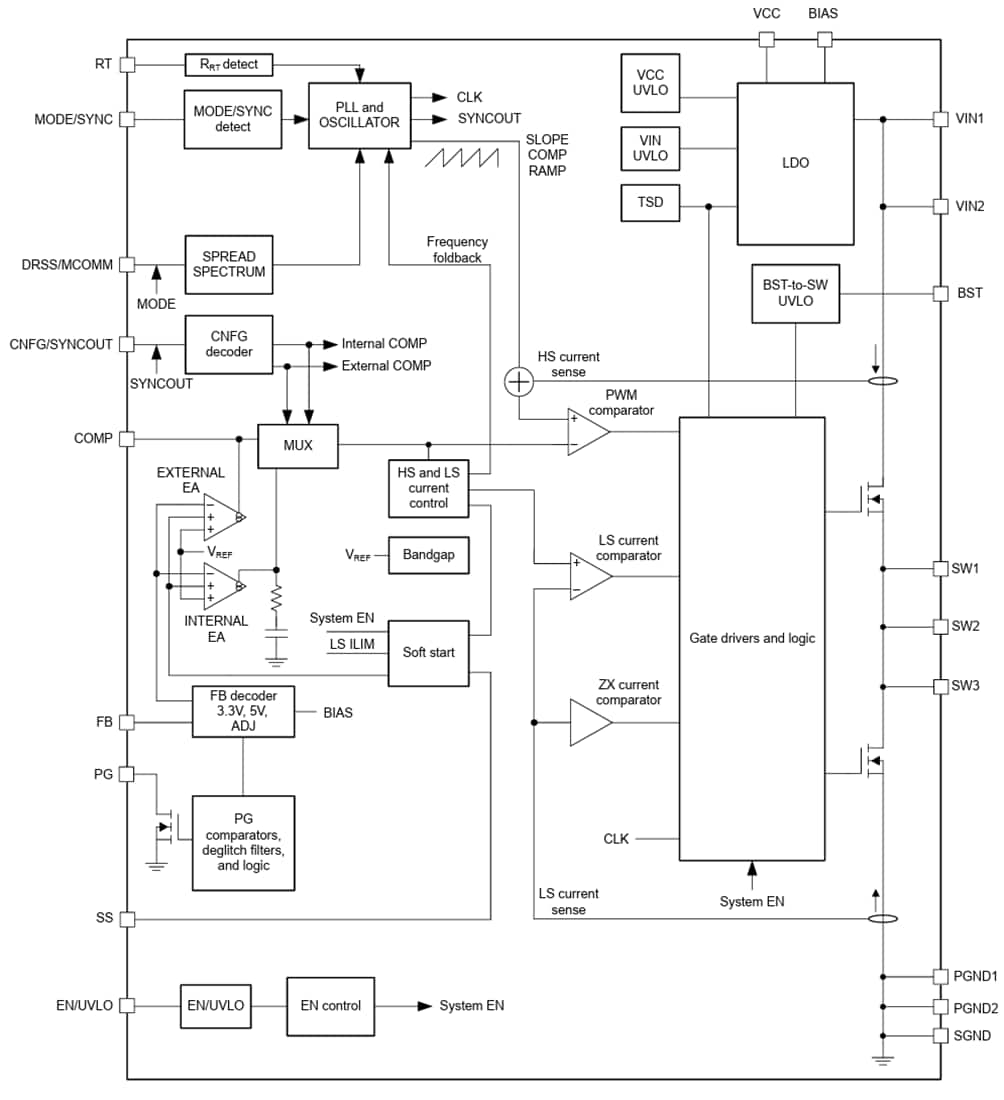
Functional Block Diagram

Block Diagram - Texas Instruments LM65680/60/40 Synchronous Buck DC-DC Converters
Published: 2026-01-22 | Updated: 2026-01-27