Texas Instruments LP8769x-Q1 Automotive PMIC
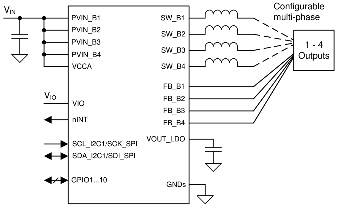
Texas Instruments LP8769x-Q1 Automotive Power Management IC (PMIC) is designed to meet current processors' and platforms' power management requirements in various safety-relevant industrial and automotive applications. The device has four configurable step-down DC/DC converter cores. These can be configured for five phases, from one 4-phase output to four 1-phase outputs. An I2C-compatible serial interface or an SPI serial interface can change the device settings.The automatic PFM/PWM (AUTO mode) operation and the automatic phase adding and shedding maximize efficiency over a wide output-current range. The Texas Instruments LP8769x-Q1 device supports remote differential voltage sensing for multiphase outputs to compensate for the IR drop between the point-of-load (POL) and the regulator output, improving the output voltage accuracy. The phases are interleaved, and the switching clock can be forced to PWM mode. The spread-spectrum mode can be enabled to minimize disturbances, and the switching can be synchronized with an external clock.
Features
- AEC-Q100 qualified with the following results
- 2.8V to 5.5V input voltage
- Device temperature grade 1 (–40°C to +125°C ambient operating temperature range)
- Device HBM ESD classification Level 2
- Device CDM ESD classification Level C4B
- Functional safety-compliant
- Developed for functional safety applications
- Documentation available to aid ISO 26262 system design up to ASIL-D
- Documentation available to aid IEC 61508 system design up to SIL-3
- Systematic capability up to ASIL-D
- Hardware integrity up to ASIL-D
- Windowed voltage and over-current monitors
- Watchdog with selectable trigger/Q&A mode
- Level or PWM error signal monitoring (ESM)
- Thermal monitoring with a high-temperature warning and thermal shutdown
- Bit-integrity (CRC) error detection on configuration registers and non-volatile memory
- Four high-efficiency step-down DC/DC converters
- Output voltage of 0.3V to 3.34V (0.3V to 1.9V for multi-phase outputs)
- A maximum output current of 5A per phase, up to 20A with a 4-phase configuration
- 0.5mV/µs to 33mV/µs programmable output voltage slew-rate
- 2.2MHz or 4.4MHz switching frequency
- Ten configurable general-purpose I/Os (GPIOs)
- SPMI interface for multi-PMIC synchronization
- Input overvoltage monitor (OVP) and undervoltage lockout (UVLO)
Applications
- Advanced driver assistance systems (ADAS)
- Front camera
- Surround-view system ECU
- Long range radar
- Sensor fusion
- Domain controller
Simplified Schematic
Additional Resources
Published: 2024-09-11
| Updated: 2025-05-12
