Texas Instruments SN74AHCT595/SN74AHCT595-Q1 8-Bit Shift Registers

Texas Instruments SN74AHCT595/SN74AHCT595-Q1 8-Bit Shift Registers feature an 8-bit serial-in, parallel-out shift register that provides an 8-bit D-type storage register. The shift register clock (SRCLK) and storage register clock (RCLK) are positive-edge triggered. The TI SN74AHCT595-Q1 is AEC-Q100 qualified for automotive applications.

Features

  • AEC-Q100 qualified for automotive applications (SN74AHCT595-Q1):
    • Device temperature grade 1 of -40°C to +125°C
    • Device HBM ESD classification level 2
    • Device CDM ESD classification level C4B
  • Available in wettable flank QFN package
  • Operating range 4.5V to 5.5V VCC
  • TTL-compatible inputs
  • Low delay, 6ns typ (25°C, 5V)
  • Latch-up performance exceeds 250mA per JESD 17

Applications

  • Network switches
  • Power infrastructures
  • PCs and notebooks
  • LED displays
  • Servers

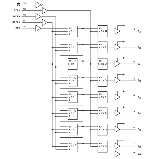
Simplified Schematic

Schematic - Texas Instruments SN74AHCT595/SN74AHCT595-Q1 8-Bit Shift Registers
Published: 2024-07-19 | Updated: 2025-05-08