Texas Instruments SN74LV138A/SN74LV138A-Q1 Decoders/Demultiplexers
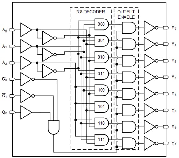
Texas Instruments SN74LV138A/SN74LV138A-Q1 3-to-8 Line Decoders / Demultiplexers are 3-line to 8-line decoders/demultiplexers designed for 2V to 5.5V VCC operation. The conditions at the binary-select inputs (A0, A1, A2) and the three enable inputs (G2, G0/, G1/) select one of eight output lines. The two active-low (G0/, G1/) and one active-high (G2) enable inputs are used to reduce the need for external gates or inverters when expanding. The Texas Instruments SN74LV138A-Q1 devices are AEC-Q100 qualified for automotive applications.Features
- 2V to 5.5V VCC operation
- Typical VOLP (output ground bounce) < 0.8V at VCC = 3.3V, TA = 25°C
- Typical VOHV (output VOH undershoot) > 2.3V at VCC = 3.3V, TA = 25°C
- Maximum tpd of 9.5ns at 5V
- Support mixed-mode voltage operation on all ports
- Ioff supports partial-power-down mode operation
- Latch-up performance exceeds 250mA per JESD 17
Applications
- Output expansion
- LED matrix control
- 7-segment display control
- 8-bit data storage
Functional Block Diagram
Published: 2023-01-27
| Updated: 2025-07-03
