Texas Instruments TDES954 4.16Gbps V3Link Deserializer Hub
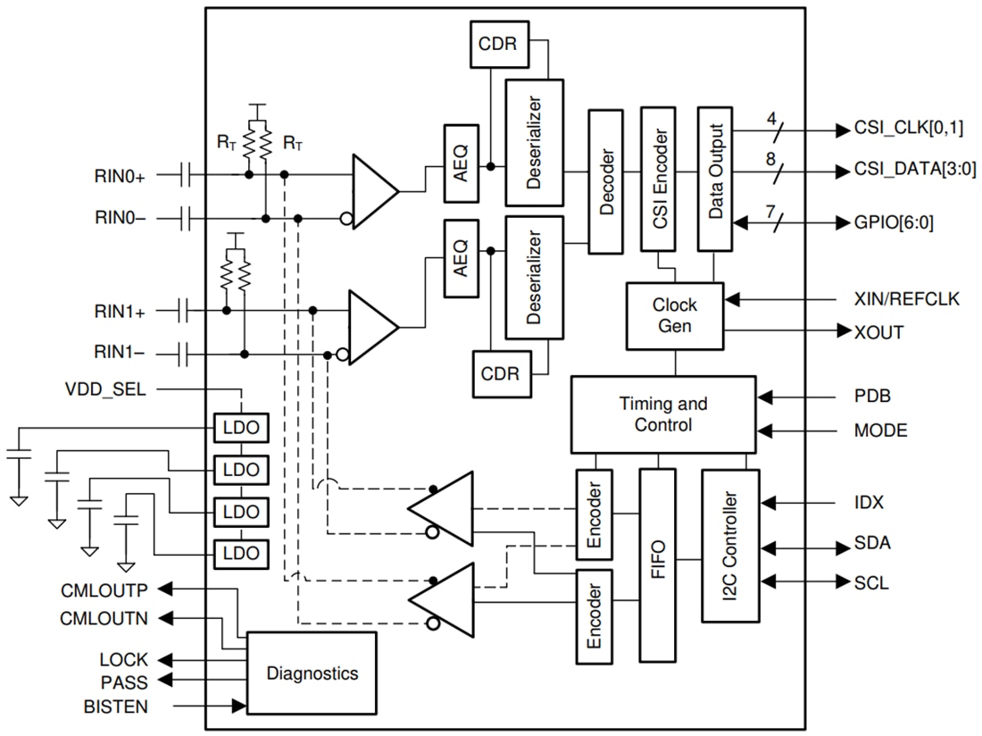
Texas Instruments TDES954 4.16Gbps V3Link Deserializer Hub is a versatile dual deserializer hub capable of receiving serialized sensor data from one or two independent sources through a V3Link interface. When paired with a TSER953 serializer, the TDES954 receives data from imagers, supporting 2MP/60fps and 4MP/30fps cameras, as well as satellite RADAR and other sensors such as ToF and LIDAR. Data is received and aggregated into a MIPI CSI-2 compliant output for interconnecting to a downstream processor. For sensors with DVP Mode serializers, the TDES954 receives and aggregates data from one or two sensors, including Full HD 1080p 2MP 60/fps imager sensors. When configuring the CSI-2 interface for 2-lane operation, a duplicate MIPI CSI-2 clock lane is available to provide a replicated output. Replication mode creates two copies of the aggregated video stream for data logging and parallel processing.The Texas Instruments TDES954 and partner TSER953 chipset is designed to receive data across either 50Ω single-ended coaxial or 100Ω differential STP cables. The deserializer hub is ideal for Power-over-Coax applications, and the receive equalizer automatically adapts to compensate for cable loss characteristics with no additional programming required, including cable degradation over time. Each V3Link interface includes a separate low latency bidirectional control channel (BCC) that continuously conveys I2C, GPIO, and other control information. GPIO signals purposed for sensor synchronization and diagnostic features also make use of the BCC.
Features
- Dual deserializer hub aggregates one or two active sensors over the V3Link interface
- Device temperature range: –20℃ to +85℃ TA
- Power-over-coax (PoC) compatible transceiver
- MIPI DPHY version 1.2 / CSI-2 version 1.3 compliant:
- CSI-2 output ports
- Supports 1, 2, 3, 4 data lanes
- CSI-2 data rate scalable for 400Mbps / 800Mbps / 1.5Gbps / 1.6Gbps each data lane
- Programmable data types
- Four virtual channels
- ECC and CRC generation
- Ultra-low data and control path latency
- Supports single-ended coaxial or shielded twisted-pair (STP) cable
- Adaptive receive equalization
- I2C with fast-mode plus up to 1Mbps
- Flexible GPIOs for camera synchronization and diagnostics
- Compatible with TSER953 serializer
- Line fault detection and advanced diagnostics
- IEC 61000-4-2 ESD compliant
Applications
- Appliances
- Video surveillance
- Elevators and escalators
- Industrial robots
- Machine vision
- Patient monitoring and diagnostics
- Imaging
Functional Block Diagram
Published: 2021-05-26
| Updated: 2022-03-11
