Texas Instruments UCC28750EVM Evaluation Module
Texas Instruments UCC28750EVM Evaluation Module is designed to evaluate an off-line power AC to DC flyback converter. This evaluation module uses the UCC287502 constant-voltage flyback controller using optocoupled feed-back in a 60W converter to provide 2.5A of constant charge current. The UCC28750EVM evaluation module features an 85VRMS to 265VRMS input voltage range and converts it down to 24VDC, capable of delivering 60W of output power. The UCC28750EVM-071 is intended for evaluation purposes and is not intended to be an end product. This module is used in isolated offline AC/DC power supplies, battery chargers, industrial AC/DC for grid infrastructures, TVs, printers, electricity meters, home appliances, and micro-inverters.Features
- Designed to evaluate the UCC28750 current-mode flyback controller
- Regulated 24VDC ±5%
- Capable of delivering 60W output
- 85VRMS to 265VRMS wide input voltage range
- Max load efficiency >90%
Applications
- Isolated offline AC/DC power supplies
- Industrial AC/DC for grid infrastructure and appliances
- Audio, printers, TV, and set-top box offline AC/DC
- Merchant DIN rail power supply and server PSU
- Battery chargers
- Electricity meters
- String inverters and micro inverters
- Small home appliances and AC indoor/outdoor units
Test Set-Up Diagram
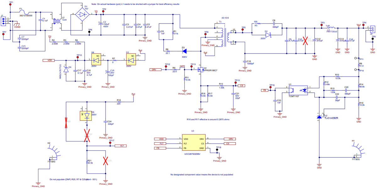
Schematic Diagram
Published: 2024-01-12
| Updated: 2024-02-15
