Torex Semiconductor XCL233 Inductor Built-in Step-Down DC/DC Converter

Torex Semiconductor XCL233 Inductor Built-in Step-Down DC/DC Converters feature an output voltage selectable function with an ultra-low power consumption circuit and PFM control. The featured VSET function switches between two output voltages by signal output. When this function is mounted on a low-power MCU with a wide operating voltage range, XCL233 offers a low voltage during standby and high voltage during operations, such as sensor communication, to efficiently drive devices. The efficiency of the XCL233 has been improved by more than 80% compared to traditional DC/DC converters. Torex Semiconductor XCL233 DC/DC Converters are suitable for wearables, IoT applications, and all devices emphasizing space efficiency and high-efficiency performance at a light load current.

Features

  • Output voltage selectable function
  • Ultra-low power consumption circuit
  • Buck/step-down type
  • PFM control
  • VSET function
  • Ultra-low quiescent current
  • Inductor built-in
  • Short protection
  • Ceramic capacitor compatible

Applications

  • Smart meters
  • Low-power RF
  • Sensor modules
  • Wearable devices
  • Energy harvest devices
  • Back-up power supply circuit
  • Smart cards
  • Devices with 1x lithium cell

Specifications

  • 1.8V to 6V input voltage range
  • 150mA output current
  • 200nA supply current
  • 86% efficiency
  • Output voltage
    • 0.5V to 1.9V (0.05V increments)
    • 2V to 3.6V (0.1V increments)
  • -40°C to +85°C operating temperature range

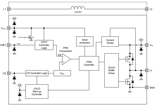
Block Diagram

Block Diagram - Torex Semiconductor XCL233 Inductor Built-in Step-Down DC/DC Converter

Typical Application Circuit

Application Circuit Diagram - Torex Semiconductor XCL233 Inductor Built-in Step-Down DC/DC Converter
Published: 2023-06-27 | Updated: 2024-04-02