XP Power ITR03 3W Unregulated DC-DC Converters
XP Power ITR03 3W Unregulated DC-DC Converters offer a compact design with a high efficiency of 83% to 91%. The converters feature unregulated single outputs from 5VDC to 15VDC and nominal inputs of 5VDC, 12VDC, and 24VDC. The series has an operating temperature range of -40°C to +100°C with full power operation of up to +85°C. XP Power ITR03 3W Unregulated DC-DC Converters are available in a compact 11.8mm x 9.66mm x 7.5mm SIP4 package.Features
- 5VDC to 15VDC unregulated single outputs
- ±10% input range, nominal 5VDC, 12VDC, and 24VDC
- 11.8mm x 9.66mm x 7.5mm SIP4 package
- 3kVDC input/output functional isolation
- 59W/in³ power density
- Up to 91% high efficiency
- Complies with EN55032 class B
- -40°C to +100°C operating temperature range
- Full power to +85°C
- 3-year warranty
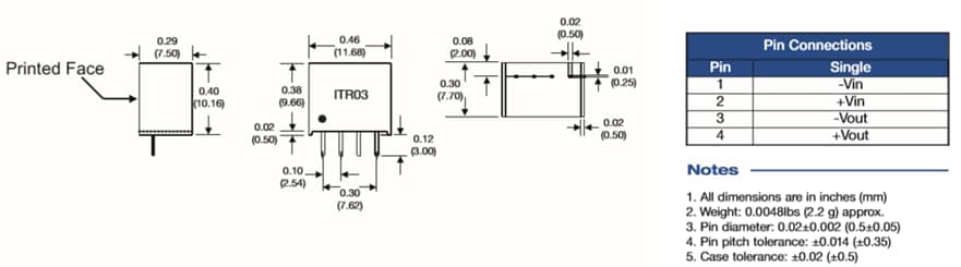
Dimensions and Pinout
Published: 2020-11-02
| Updated: 2025-01-06
